Bendpak HDS-14XT 14,000 Lbs High Rise 4-Post Lift
Boost your shop's productivity with the BendPak HDS-14XT four-post lift, offering unmatched room and comfort thanks to its taller rise height and longer runways. Mechanics of all heights will appreciate working comfortably under limousines, SUVs, and extended trucks, significantly enhancing efficiency and reducing fatigue.
Features
- ALI Certified.
- 14,000-lb. lifting capacity.
- Extended 227.5-inch runways for large vehicles.
- Higher maximum lifting height of 89.5 inches.
- Extended approach ramps suitable for low-clearance vehicles.
- Single hydraulic cylinder beneath the runway.
- Fully enclosed lifting cables, safety locks, and sheaves.
- Internal anti-sway slider blocks in each column.
- Pneumatic push-button safety release.
- Heavy-duty 1/2-inch aircraft cables with 1.75-inch roller axles.
- Oversized 10.5-inch diameter cable sheaves to reduce cable fatigue.
- Multi-position safety locks in each column.
- Customizable power unit location.
- Independent backup slack-cable safety latches.
Specifications
| Lifting Capacity | 14,000 lbs. / 6,350 kg | |
| Maximum Capacity – Front Axle | 7,000 / 3,175 kg | |
| Maximum Capacity – Rear Axle | 7,000 / 3,175 kg | |
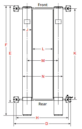
| A | Min. Runway Height | 7.5 in. / 192 mm |
| B | Maximum Rise | 82.75 in. / 2,104 mm |
| C | Maximum Lifting Height | 89.5 in. / 2,275 mm |
| D | Overall Width ±.125 in. / 3 mm | 130 in. / 3,304 mm |
| E | Outside Length | 243 in. / 6,170 mm |
| F | Overall Length | 272 in. / 6,907 mm |
| G | Height of Pos | 104 in. / 2,643 mm |
| H | Distance Between Posts | 120 in. / 3,050 mm |
| I | Drive-thru Under Clearance | 80.75 in. / 2,052 mm |
| J | Runway Width | 20 in. / 508 mm |
| K | Runway Length | 227.5 in. / 5,777 mm |
| L | Width Between Runways | 35.5 in. - 41.5 in. / 876 mm - 1,058 mm |
| M | Runway Centerline | 57.5 in. - 64.5 in. / 1,460 mm - 1,642 mm |
| N | Outside Edge of runway | 77.5 in. - 84.5 in. / 1,968 mm - 2,150 mm |
| Max. Load Operating Pressure | 2,600 PSI | |
| Min. Wheelbase @ Rated Cap. (1) | 160 in. / 4,064 mm | |
| Min. Wheelbase @ 75% Capacity (1) | 140 in. / 3,556 mm | |
| Min. Wheelbase @ 50% Capacity (1) | 115 in. / 2,921 mm | |
| Min. Wheelbase @ 25% Capacity (1) | 95 in. / 2,413 mm | |
| Locking Positions | 18 spaced every 4 in. / 102 mm | |
| Motor | 220VAC, 60 Hz, 1 Ph | |
*Specifications subject to change without notice.
(1) 1 The Lift supports less weight than its rated capacity if the Vehicle’s wheelbase is shorter; this is because the wheels are closer to the middle of the Runways, where there is less support. For example, the maximum weight allowed on the Lift for a Vehicle with a wheelbase of 85 in. is 50 percent of the Lift’s rated capacity (or 7,000 lbs. when the rated capacity is 14,000 lbs.).
![]() | ![]() |
WARNING: California Prop 65


